低壓電動機保護測控裝置
|
概述 |
|
|
CKYD300系列低壓電動機保護測控裝置是結合電力自動化的發展趨勢與國內電網特點而開發的, 適用于低壓380V系統, 滿足國內外對低壓電動機保護的需求。采用高集成度的高速處理器進行數據采集、處理,在實現傳統的低壓電動機保護功能的基礎上,融入測控、計量和通訊功能,真正實現了數字化,網絡化,智能化,做到保護和測控于一體,其體積小、重量輕、功能強大、易于操作, 適用于就地安裝在操作箱、開關柜和抽屜柜上 |
![]() |
|
型號 |
|
|
CKYD300M、CKYD300L |
|
功能 |
|
|
保護功能 |
啟控功能 |
|
短路保護 |
直接啟動 |
|
堵轉保護 |
自耦降壓啟動 |
|
定時限過負荷保護 |
星/三角啟動 |
|
反時限過負荷保護 |
正反向啟動 |
|
接地/漏電保護 |
串電阻啟動 |
|
電流不平衡保護 |
晃電起動 |
|
斷相保護 |
保護控制方式 |
|
欠壓保護 |
保護退出 |
|
過壓保護 |
保護告警 |
|
輕載保護 |
保護跳閘輸出 |
|
起動時間過長保護 |
事件順序記錄功能 |
|
工藝聯鎖跳閘 |
可記錄多達64個事件及記錄類型 |
|
tE時間保護(適用于增安型電動機) |
發生時間,時間分辨率為1ms |
|
測量功能 |
通訊功能 |
|
電壓 |
RS485通訊 MODBUS通訊協議 |
|
電流 |
開出、開入功能 |
|
有功功率 |
繼電器輸出(DO1-DO4) |
|
無功功率 |
開關量輸入(DI1-DI11) |
|
視在功率 |
安裝方式 |
|
功率因數 |
屏上開口安裝:顯示模塊與測控 |
|
頻率 |
主體模塊于一體 |
|
有功電能 |
導軌安裝:測控主體模塊標準DIN |
|
無功電能 |
導軌安裝 |
|
輸入 |
環境 |
過載能力 |
||
|
電壓輸入 |
工作溫度 |
-25℃~+70℃ |
交流電壓回路 |
|
|
額定值 AC380V/220V、100V/57.7V |
存儲溫度 |
-40℃~+85℃ |
1.6倍額定電壓,連續工作 |
|
|
電流輸入 |
相對濕度 |
5%~95% |
2倍額定電壓,允許10s |
|
|
額定值 |
大氣壓力 |
80 Kpa~110KPa |
交流電流回路 |
|
|
160A以內采用小型穿心CT,10倍過載 |
電源 |
2倍額定電流,連續工作 |
||
|
160A以上采用標準CT ( 額定電流1A、 5A ),10倍過載 |
DC 85V~360V 電壓紋波系數小于5% |
10倍額定電流,允許10s |
||
|
頻率 |
AC 85V~265V 諧波含量小于5% |
40倍額定電流,允許1s |
||
|
50Hz |
功 耗 ≤5W |
保護定值誤差 |
||
|
開關量輸入 |
測量 |
動作值 |
||
|
8路開關量輸入(最多11路),內部提供電 |
測量精度 |
|
電流 |
定值的±3% |
|
源(30V),無源干節點接入方式 |
參數 |
精度 |
電壓 |
定值的±5% |
|
輸出 |
相電壓 |
±0.5% |
動作時間 |
|
|
繼電器輸出 |
電流 |
±0.5% |
定時限 |
0s~3s(含3s)不超過60ms |
|
跳合閘出口觸點容量 |
有功功率 |
±2% |
|
3s~99.9s不超過整定值的±2% |
|
額定斷開容量 AC 250V 5A DC 30V 2A |
無功功率 |
±2% |
反時限 |
0s~3s(含3s)不超過±100ms |
|
長期允許閉合電流 5A |
有功電能 |
±2% |
|
3s以上不超過理論值的±5% |
|
無功電能 |
±2% |
電氣絕緣特性 |
||
|
模擬量輸出 |
功率因數 |
±2% |
介質強度 |
|
|
4~20mA(變送對象可選)負載電阻≤500Ω |
頻率 |
±0.06Hz |
工頻電壓2kV,時間1分鐘 |
|
|
通訊 |
面板顯示 |
絕緣電阻 |
||
|
RS485接口 |
大屏幕液晶(帶背光) |
≥100MΩ |
||
|
MODBUS-RTU協議 |
|
沖擊電壓 |
||
|
波特率 2400、4800、9600、19200 |
|
承受1.2/50μs蜂值為5kV的標準雷電波的沖擊 |
||
|
其他特性 |
|
外接零序CT |
||
|
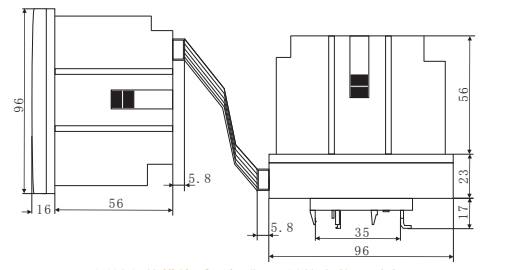
外形尺寸:96×96×72mm |
|
零序CT要求 |
||
|
開孔尺寸:90×90mm |
|
次級輸出≤30mA |
||
屏上開口安裝

導軌安裝

測量主體模塊采用標準DIN導軌安裝,適合于TS-35
軌道,顯示模塊的安裝尺寸同屏上開口安裝尺寸
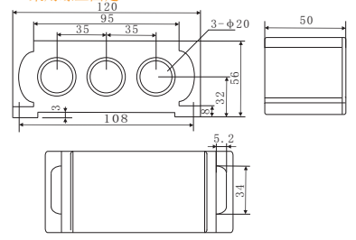
專用小型穿心式CT-MT
MT采用螺絲固定

注:穿心式CT引線的長度為3米,如有特殊要求請于定貨時說明,引線有黃、綠、黑、紅四根線
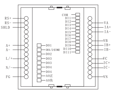
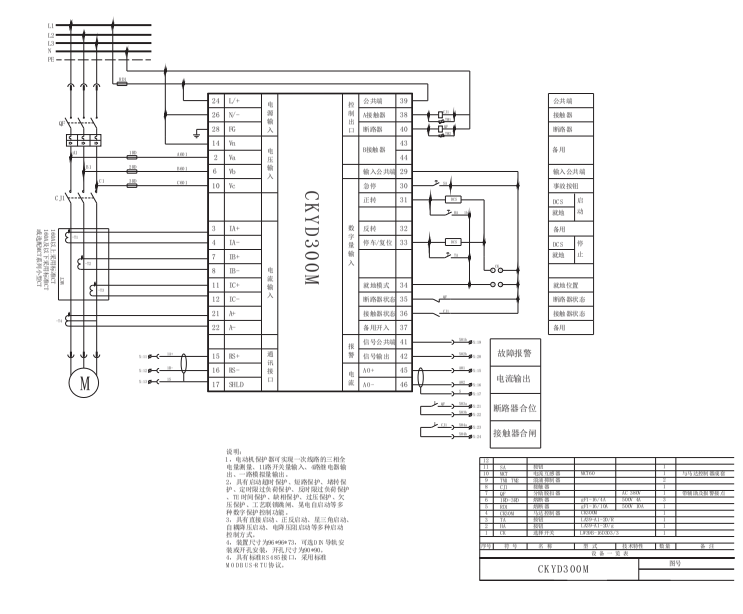
端子接線圖


|
接線端子意義說明 |
|||
|
端子號 |
符號 |
意 義 |
|
|
保護模式 |
啟動控制模式 |
||
|
2 |
VA |
A相電壓 |
|
|
3 |
IA+ |
A相電流輸入 |
|
|
4 |
IA- |
A相電流輸出(黃:A相電流信號輸入) |
|
|
6 |
VB |
B相電壓 |
|
|
7 |
IB+ |
B相電流輸入 |
|
|
8 |
IB- |
B相電流輸出(綠:B相電流信號輸入) |
|
|
10 |
VC |
C相電壓 |
|
|
11 |
IC+ |
C相電流輸入(黑:公共端) |
|
|
12 |
IC- |
C相電流輸出(紅:C相電流信號輸入) |
|
|
14 |
VN |
中性線 |
|
|
15 |
RS+ |
RS485+ |
|
|
16 |
RS- |
RS485- |
|
|
17 |
SHLD |
通訊屏蔽地 |
|
|
21-22 |
A+/- |
模擬量輸入/漏電電流輸入 |
|
|
24、26 |
L/+、N/- |
工作電源 |
|
|
28 |
FG |
接大地 |
|
|
29 |
COM |
干節點輸入公共端 |
|
|
30 |
DI1 |
通用狀態監視或急停/工藝聯鎖 |
|
|
31 |
DI2 |
通用狀態監視 |
啟動A |
|
32 |
DI3 |
通用狀態監視 |
啟動B |
|
33 |
DI4 |
通用狀態監視 |
停車/復位 |
|
34 |
DI5 |
通用狀態監視 |
就地模式 |
|
35~37 |
DI6~DI8 |
通用狀態監視 |
|
|
38 |
DO1 |
跳斷路器出口,常閉 |
A接觸器出口,常開 |
|
39 |
DO1/2COM |
DO1/DO2公共端 |
|
|
40 |
DO2 |
跳斷路器出口,常開 |
|
|
41~42 |
DO3 |
報警輸出報警輸出 |
|
|
43~44 |
DO4 |
合閘輸出、遙控或晃電起動 |
B接觸器出口、常開 |
|
45~46 |
AO+/AO-或DO5 |
4~20mA模擬量輸出或繼電器DO5輸出 |
|
|
47~49 |
DI9~DI11 |
干節點輸入(僅11DI有效)通用狀態監視 |
|
注意:◆ CKYD300M使用小型穿心式CT-MT電流互感器時,端子4、8、11、12分別接入穿心式CT-MT黃、綠、黑、紅四根線
◆保護模式下,DO1為跳接觸器輸出,為常閉接點。常閉接點指繼電器正常工作時得電吸合,動作時不得電釋放
◆模擬量輸入/漏電互感器為可選項,當沒選擇該項時,端子號21-22不用接線
◆模擬量輸出的接線端子與繼電器輸出DO5復用一對端子,不能同時選擇兩個功能
裝置選型表

注:1、用戶在訂貨時,①---④項須填寫,其中①項可以復選組合,用戶應說明電壓輸入是否通過電壓互感器接入,是220V/380V還是100V/57.7V。不需要的功能,后綴可以不注明
2、用戶如有疑問,或有特殊的功能要求,請致電我公司詳細了解
3、基本型具有短路保護、堵轉保護、定時限過負荷保護、反時限過負荷保護、輕載保護、接地保護、三相電流不平衡保護、斷相保護功能,工藝聯鎖跳閘,無測量功能
4、舉例:CKYD300M-AJ-30A-Y-K-8DI-4DO-380V表示選擇保護和測量功能, 選擇基本型保護, 選用30A的外置穿心式電流互感器,屏上開口安裝,增加啟動控制,電壓接入為380V。
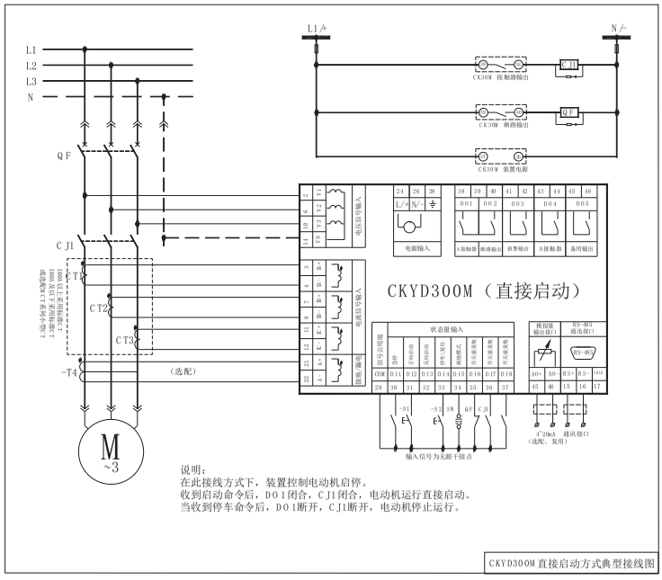
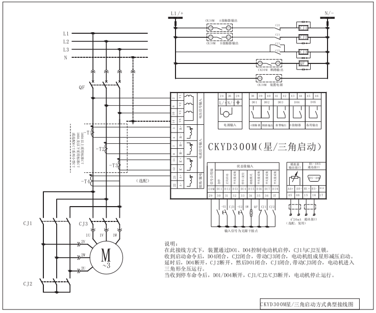
典型接線圖
保護模式

直接啟動

自耦降壓啟動

星三角啟動

正反向啟動

典型應用

版權所有◎2022 天水云創一多電子科技有限公司 備案號:隴ICP備2022001167-1號 技術支持:新網
